Visualizar detenidamente el siguiente video y a continuación realizar las dos actividades que se proponen al pié de esta página
Act 1. En la 2da sección del video pudieron ver cómo se diseña un circuito marcha paro en Soft Comfort en lenguaje de compuertas FUP. Ahora diseñen un circuito marcha paro con inversión de giro de motor
Act 2. Resolver los ejercicios propuestos al final del video


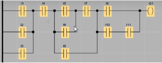
A continuación resolver los siguientes ejercicios

Deberán proceder de la siguiente manera:
- Realizar la tabla de verdad del ejercicio (en papel)
- Diagramar el circuito en lenguaje FUP (en papel)
- Diagramar el circuito en lenguaje KOP (en papel)
- Al finalizar volcaremos los resultados en la aplicación Logo! Soft Somfort en una PC y verificaremos mediante la simulación
